
- Korkimispead: 2tk servo-motosõitu
- Pinge: 220V, 50/60HZ;
- Võimsus: 3,0Kw
- Õhurõhk: 0,5–0,7 Mpa
- Amper: 8,5A
- Kiirus: 40-45 / min (kohandatud vastavalt purkide kujule ja suurusele)
- Sobiv toote läbimõõt: φ28-φ125 mm kaaned (mittestandardsed kohandatud)
- Nääre läbimise kiirus: ≥99,5% (sõltub kaane ja pudeli veast)
- Masina suurus: 3300*1150mm*1908mm
- Kaal: 450 kg
Enne masina toite sisselülitamist. Ohutuse ja masina õige kasutamise tagamiseks lugege see juhend hoolikalt läbi. Et vältida inimõnnetusi ja vähendada masinakahjustuste sagedust.
Söövitavate toodete puhul jälgige, et söövitavad esemed ei puudutaks ega pritsiks masinat ennast ja personali.
- Vältige masina kasutamist kohtades, kus on vibratsioon või kokkupõrge.
- Kui masin töötab, ei saa personali keha liikuvaid osi puudutada.
- Masinat tuleks vältida liiga niisketes kohtades. Ja sisestage see toiteallikasse, maandusjuhe on õigesti maandatud, et vältida ohutusõnnetust.
- Operaator peab säilitama normaalse füüsilise ja vaimse seisundi. Kui te võtate alkoholi, unerohtu või muid teie vaimset seisundit kahjustavaid ravimeid, lõpetage masina kasutamine.
- Operaator peab kandma sobivat riietust, et vältida vigastusi, mis on põhjustatud riiete sattumisest veerevatesse osadesse, ega tohi masinale asetada kõrvalisi esemeid.
- Kui kasutamise ajal esineb müra või muid kõrvalekaldeid, peatuge kohe ja kontrollige. Mitteinseneriga tegelevatel tehnikutel palun ärge masina osi meelevaldselt teisaldage.
- Regulaarne (üks kord nädalas) hooldus ja hooldus, vältides masina puhastamisel vee või vedelike pritsmeid ning elektroonilisi juhtkarpe või muid elektrilisi komponente.
- Palun töötage vastavalt tavapärastele tööprotseduuridele ja hoidke masina pind puhas ja korras.
Korkimismasinat kasutatakse pakkimisprotsessis igasugustes kosmeetika-, meditsiini-, veterinaarmeditsiinis, pestitsiidides, määrdeõlis ja muudes tööstusvaldkondades.





Purkide korkimismasina põhimõte ja omadused:
- Elektriline automaatjuhtimine, see on stabiilne;
- Korgi positsioneerimisseadmega, lukustatud kaanega on standardne toiming mugav;
- Lukk katab laias valikus, saab keerutada erineva kujuga korgi spetsifikatsioone;
- Piiramiskiirus, tsentrifuugimise vangla, võib samaaegselt vastavalt vajadusele reguleerida ka tagasikerimise tihedust.


Kosmeetikapurkide korkimismasina põhiparameetrid:

1. Korkimispead: 2tk servo-motosõitu
2. Pinge: 220V, 50/60HZ;
3. Võimsus: 3,0Kw
4. Õhurõhk: 0,5--0,7Mpa
5. Amper: 8,5A
6. Kiirus: 40-45/min (kohandatud vastavalt purkide kujule ja suurusele)
7. Sobiv toote läbimõõt: φ28-φ125 mm kaaned (mittestandardsed kohandatud)
8. Tihendi läbimise määr: ≥ 99,5% (sõltub kaane ja pudeli veast)
9. Masina suurus: 3300*1150mm*1908mm
10. Kaal: 450kg
Hostiosa kirjeldus


Toitelüliti: Juhtige toiteallika sisse---väljas.
Toiteindikaator: toide sisse – roheline tuli põleb, toide välja – roheline tuli väljas.
Hädaseiskamine: kasutatakse masina koheseks seiskamiseks või funktsiooni lähtestamiseks hädaolukorra või rikke korral.
1. Käivitage fotoelektriline: Masin on töökorras, kui fotoelektriline tuvastamine tuvastab pudeli ja kaanega, Pöördlaud võib tööle hakata. Kui ühte kahest fotoelektrilisest elementist ei tuvastata, siis pöördlaud ei pöörle.
2. Fotoelektri päritolu: Seda kasutatakse samm-mootori juhtimiseks pöördaluse asendi juhtimiseks, nii et pudelit saab sujuvalt kaanesse sisestada.
3. Korgi fotoelekter: Kontrollige, kas kate on paigas, ja tuvastage fotoelektriliselt, et kaane pöördalus on pööratav.
4. Katte fotoelektrilisus: Ülemise kattemasina käivitamise ja seiskamise juhtimine, kui ülemise kattemasina pakutav kate on sorteeritud fotoelektri tuvastatud asendisse, on fotoelekter alati hele, kattemasin peatub kaane jaoks ja intelligentne kate on rakendatud .
5. Luku kaane fotoelekter: Kui kaanega pudel läbib, tuvastatakse fotoelektriline tuvastus ja lukustuskaas käivitatakse vastavalt seatud viivitusajale (konveierilindi kiiruse järgi reguleeritakse konkreetseid parameetreid masina reguleerimisel).
6. Luku kaanesüsteem: Kaanega pudel on sama, fotoelektriline käivitusviivitus, silindriklambri pudeli viivitus, lukukork on langetatud, käepideme kate - keeratav kork - haaratsi vabastamine - lukukork tõuseb - klambripudel on lahti, ja lukukorgi protsess on lõpetatud. Kui lukukaanes on 1# luku kate luku kaanes, siseneb teine pudel. Sel ajal liigub 2# klambriga pudeli silinder ja kaane lukustamiseks aktiveeritakse 2# luku kaas. (Kui 2# lukupeaga lukustatud kork möödub 1# klambriga pudelist, ärge korrake luku kate.

Inimese ja masina liidese kirjeldus

Alglaadimisleht
3.1 Alglaadimislehel on inglis- ja hiina keele operatsioonide valik, kui valite Hiina nupu, sisestage järgmine liides:

Teine liides
Peatus: Kogu masina käivituslüliti, puudutage seda klahvi, masin töötab automaatrežiimis, puudutage uuesti seda klahvi, masin lakkab töötamast.
Testvärav: Testige masina tööd.
Pöördlaua kiirus: Mida suurem on kiiruse parameeter, seda suurem on kiirus, seda aeglasem on kiiruse parameeter. (Kuid seal on maksimumpiir.)
Plaadimängija viivitus: Plaadimängija käivitusaja sätted, vastavalt plaadimängija sujuvale töörežiimile.
Piiramise viivitus: Pärast plaadimängijat määratud jaama viivitage ooteaega, silindri tegevuskork.
Piiramise aeg: Aeg, mis kulub silindri tihendamiseks.
Väljund: Täitke lukukaane arvu rekord, mugav toodangu arv. Tühjendamiseks vajutage lähtestamisklahvi.
X1. X3. X14: Kontrollige, kas fotoelektrik on peegelduse tööolekus, masina oleku toimimist on lihtne näha,
Piirangu parameeter: Vajutage seda klahvi ja sisestage järgmine liides:

Liides on parameetrite leht, mis tuleb seadistada servoluku kattesüsteemi 1 # lukupea iga toimingu jaoks, parameetrite mõistlik seadistus on kasulik masina stabiilsusele ja tõhususe parandamisele.
Tagastamine: Teise liidese juurde naasmiseks vajutage seda nuppu.
I/O: Vajutage seda nuppu järgmise liidese sisenemiseks:

X-seeria punktid: Kas sisendpunkt, mis võimaldab tuvastada, kas fotoelektriseade on töökorras, kas masina tööd on lihtne näha, lihtne hooldus.
Y-seeria punktid: Kas väljundpunkt täidesaatva komponendid on normaalses seisundis tagasisidet, saab ka käsitsi vajutada juhtklahvi, et testida, kas täitmise komponendid on normaalsed.
Korgi söötmissüsteem: Võib olla stabiilne ja korras vastavalt ettenähtud katmissuunale.
Kalde reguleerimine: mõistliku nurga all saab reguleerida tagurpidi kaas ei roni liumäele.
Sagedusmuunduri reguleerimine: reguleerida katte kiirust.


Purkide korkimisseadmete hooldus:
1. Ohutuse tagamiseks hoidke masinat väljalülitatud ja gaasi väljalülitatud seisundis. Hoidke masin puhas ja korras, masinal ei tohi olla muid asju, väikseid esemeid, tarvikuid, polte jne.
2. Ja määrdeõli lisatakse regulaarselt liikuva osa mehhanismile, et tagada mehhanismi hea tööseisund.
3. Laske regulaarselt vett õhufiltri seadmest välja ja lisage määrdeõli, et tagada silindri nõuetekohane kasutamine ja pikendada kasutusiga.
4. Kontrollige ja parandage masinat regulaarselt. Hinnake seadmete tööseisundit nägemise ja kõrvade kaudu, et veenduda masina heas töös.
Märkus. palun kasutage ja hooldage rangelt vastavalt juhistele, garantiiaeg on rangelt keelatud avada ja lahti võtta, vastasel juhul on sellest põhjustatud kahju inimkahjustusena, tasuta remonti ei toimu. Seda juhist võidakse ette teatamata muuta; Kui selle masina töös on endiselt kahtlusi, helistage meile päringute saamiseks igal ajal
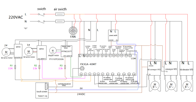
Lisatud elektriskeem:

Valmis suletud korgid proovivad purkide korkimismasinat:





Märgid: sest ruudukujulised mustad purgid võivad korgi tõttu kriimustada, see on konstrueeritud koos kogumissüsteemiga, et tõmmata purgikorgid kandikutelt välja ja panna need korgimisvalmis jaama, et sulgeda kork. Üksikasjalik tööpõhimõte on illustreeritud järgmiselt: Tööprotsess:
1. Korkide käsitsi asetamine salve (15*15 või 10*10)

2. Kandikute asetamine valmiskorjejaama
3. Purke korjavad robotid

4. Pudelite paigutamine ja korgi sulgemine
5. Korgiga purkide väljund











