
- Korkimiskiirus: 15-30 tk/min
- Nimipinge: 110V/60Hz (USA standard)
- Masina võimsus: 0,8 kW
- Amper: 2,2A
- Välismõõt: 2230*1460*1600 MM (P*L*K)
- Õhurõhk: 0,7 MPa
- Kaal: umbes 300 kg
Teade enne pudelite sulgemismasina käivitamist
1: Enne masina vooluvõrku ühendamist veenduge, et toitelüliti on suletud olekus, ja järgige juhiseid.
2: Kui masin ei tööta pikka aega, tuleb seda pühkida kuiva lapiga ja seda ei tohi puhastada ühegi söövitava puhastusvahendiga.
3: Vedeliku pritsimine masina elektrikarpi on rangelt keelatud, et vältida sisemiste elektriliste komponentide korrosiooni ja lühise tekitamist.
4: Kontrollige vastavalt seadmete pakkimisloendi mudelitele, spetsifikatsioonidele ja seadmete ja materjalide kogusele, et veenduda, et need vastavad disaini- ja tootestandardite nõuetele ning nendega on kaasas vastavussertifikaadid.
5: Kontrollige seadme välimust, et veenduda, et sellel pole deformatsioone, kahjustusi ega korrosiooni, ning et kõik spindlid peaksid olema paindlikult pöörlevad ilma ummistuseta.
6: see masin töötab ühefaasilise 110 V vahelduvvoolu all ja lame kolme jalaga toitepistik tuleb ühendada maandusjuhtmega pistikupessa.
Tehnilised parameetrid

- Korkimiskiirus: 15-30 tk/min
- Nimipinge: 110V/60Hz (USA standard)
- Masina võimsus: 0,8 kW
- Amper: 2,2A
- Välismõõt: 2230*1460*1600 MM (P*L*K)
- Õhurõhk: 0,7 MPa
- Kaal: umbes 300 kg
Korkimismasina üksikasjad:



Masina struktuurid

Optical Fiber Electric Eye Kirjeldus
Elektriline silm pudelite tuvastamiseks:

Kui see töötab automaatrežiimis, on selle elektrisilma eesmärk tuvastada sissetulevad pudelid.
Sissetuleva pudeli tuvastamisel "pöördlaud" pöörleb.
Kaas-Eeleandav elektriline silm

Kui see töötab automaatrežiimis, on selle elektrilise silma eesmärk tuvastada sissetulevad kaaned.
Sissetuleva kaane tuvastamisel tõuseb "väljavõtumehhanism" materjali võtmiseks üles.
Kaas-Eeleandav elektriline silm

Kui see töötab automaatrežiimis: selle elektrilise silma eesmärk on tuvastada sissetulevad pudelid.
Sissetuleva pudeli tuvastamisel pöörab "lukukorgi mehhanism" lukukorki allapoole.
Lüliti nupp ja juhtmestiku port
Puuteekraan ja hädaseiskamine

Toitemootori ja kaane vibratsiooniplaadi kontroller

Vibratsiooniplaadi kontroller

Vibratsiooniplaadi kontroller: reguleerides pinget, reguleerige tühjenemiskiirust.
Toitelüliti ja pistikupesad

Mootori kontroller

Sagedustrafo: sagedusmuunduri nupu reguleerimisega reguleerige mootori kiirust.
Häire ja tõrkeotsingu meetod:
1. Vajutatud on hädaseiskamine. Vajutage masina kaanel ja puuteekraani kõrval olevaid hädaseiskajaid.
2. Väljund saavutab seatud väärtuse. Seadistage väljund, vajutage tühjendusnuppu praeguse väljundi kustutamiseks.
3. Kui korke ei tuvastata pikka aega, kontrollige. Kontrollige, kas pudelikorgi induktsioonkiud on korralikult varustatud. Kontrollige, kas korgid on paigas või mitte.
4. Kui pudeleid ei tuvastata pikka aega, kontrollige. Kontrollige, kas pudelid on paigas.
Elektriline silmade reguleerimine:
Võimendi struktuur

Optilise kiu skeem:

1. Optilise kiu lukustusriba
2. Tööoleku indikaator
3. Määra
4. DSC indikaatortuli
5. Digitaalne monitor
6. Käsitsi nupp
7. Laiendatud kaitsekate
8. Laienduspistik
9. Toitelüliti
10. Režiimi nupp
11. Väljundi valija
12. Kaablid
13. Tolmukaitse
14. Määra väärtus (roheline)
15. Praegune väärtus (punasega)
Kiudoptilise seadistuse tööprotsess
- Kui elektrisilm langeb pilusse, on punase voolu väärtus 144.
- Kui elektrisilm langeb sildile, on punase voolu väärtus 4.
- Reguleerige seatud väärtust", umbes 1/2 väärtusest, mis elektrisilm on kehapaberil (tuvastatavate objektide vahes) ja väärtusest, mis elektrisilm on paberil, on seatud väärtus (144 4)/2=74, reguleerige käsitsi nuppu, et seadistada seatud väärtuseks 74.
- Liigutage sildivahe elektrilise silma asukohas edasi-tagasi ja punast "signaaltuli/indikaatorit".
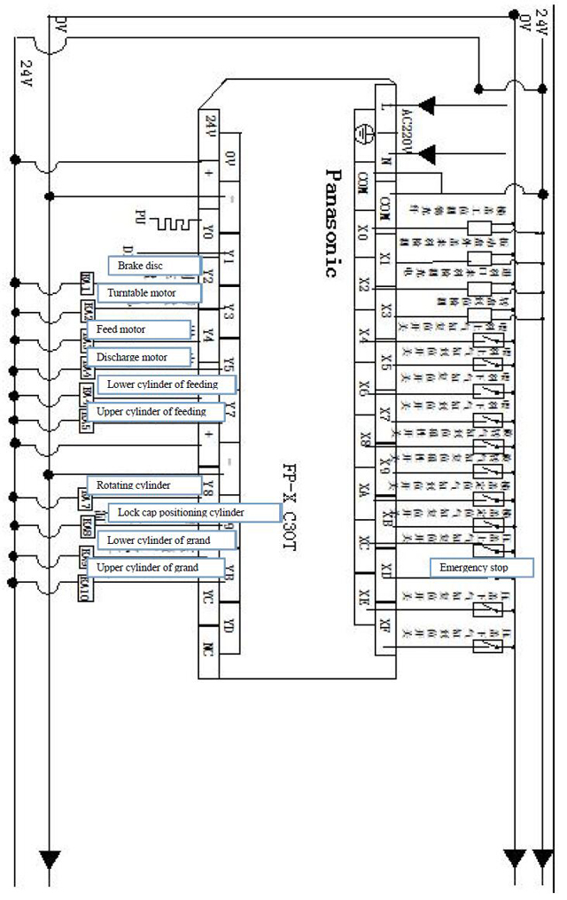
Vooluahela skeem



Hoolduspudelite korkimismasin

1. Masina pikendamiseks ja masina funktsiooni optimeerimiseks on vaja masinat kontrollida ja hooldada;
- Töötavat masinat tuleks hooldada iga kolme kuu tagant;
- Laagri ja käigukasti osa tuleb määrida määrdega;
- Määrimist tuleb teha perioodiliselt;
- Slaidiõli (N68) tuleks lisada osasse nagu edasi-tagasi liikumine või tõstmine kaks korda päevas;
- Autoõli (N68) tuleks lisada pöörlevatesse või pöörlevatesse osadesse;
- Iga poole kuu järel lisage määret nuki pessa;
- Iga kuu üks kord õlidüüsi jaoks, lisades määret;
2. Ärge kunagi kasutage metallist tööriistu, et lüüa või kraapida pinda, kus ühendus on konglomereeritud osadele, nagu komponendid või hallitus.
3. Kui masin ei tööta pikemaks ajaks, lisage osadele, nagu käigukasti või laagriosadele, määrimiseks määret; Töödelge masinat ka veekindla kaitsega.
4. Ärge kunagi asetage masinale esemeid, et see ei kahjustaks masinat.
5. Puhastage komponentide sees olev tolm. Kontrollige perioodiliselt ka kõiki kruvisid ja kinnitage kõik lahtised kruvid.
6. Kontrollige teatud aja jooksul klemmide kruvide juhtmestikku ja veenduge, et kruvi on fikseeritud;
7. Kontrollige, kas elektrikarpidest välja venitatud juhtmeteel pole lahtisi jaamu; Kui osa on liiga lahti, kinnitage kruvi uuesti, et vältida isolatsioonikihi hõõrdumist või kahjustusi, mis võivad põhjustada elektrilekke.
8. Kontrollige kergesti kuluvaid patse ja vahetage kahjustatud õigeaegselt;









