
- VK-BR klaaspudelite pesumasin
- VK-PF õlitäitmismasin 4pead
- VK-VC vaakumkorkimismasin
- VK-RPL ümmarguste pudelite sildistamise masin
Täisautomaatset täiteliini saab kohandada vastavalt kliendi nõudmistele ja ostja pakutavatele näidistele. Allpool on toodud selle toiduainetööstuse täisautomaatse täiteliini põhiteave:
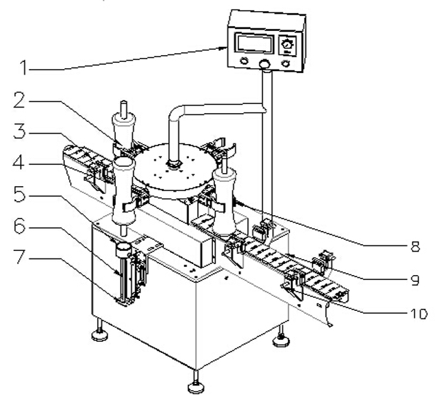
Klaaspudelite õhupesumasina vaakumpesuri seadmed
See on automaatne õhuga pudelipesumasin. võimsus sõltub õhupesu düüsidest.
Õhukompressor transpordib vaakummahutis oleva õhu, gaas läbi solenoidklapi ja ioonigeneraator on puhastatud, hingetoru gaasišampoon puhub gaasi läbi gaasipesusuu pudelitesse, puhub gaasipesu suust gaasi rõhuga välja võõrkehad, tagasi hingetoru väljutatud heitgaasid heitekontrolli kaudu väljapoole.

| 1 | Juhtpaneel | 2 | Pudelid |
| 3 | Rihm lutipudelitele | 4 | Pudelist söötmise andur |
| 5 | pudelite kinnitusstruktuur | 6 | Loputussüst |
| 7 | Elektrostaatiline Tuyere | 8 | Pudelite kinnituspunkt |
| 9 | Rihm pudelite väljastamiseks | 10 | Juhtriba |
Klaaspudelite jaoks mõeldud automaatse pöörleva õhupesumasina põhiparameeter:

Mudel: VK-BR
Pudeli mahutavus: 20-1000 ml
Tootmisvõimsus: 8 puhastusdüüsi: 3600–4800 bph
Õhurõhu vahemik: 6~8kg/cm2
Õhukulu: 25m3/h
Toide: 220V 50/60Hz
Energiatarve: 0,75Kw
Ühe masina müra: ≤70 dB
Puhastatud õhk: 0,2μm
Puhastusaeg: 3-5 s
Netokaal: 350 kg
Üldmõõt: 1200 x 800 x 1600 mm
Õlitäitmismasin 4 peaga lineaarne täiteaine

Mikroarvutiga juhitav 4 peaga oliivide täitmismasin ühendab fotoelektri ja pneumaatilise töö, seega kasutatakse seda laialdaselt põllumajanduskemikaalide, lahuse, vedelate pesuvahendite, kosmeetikatoodete ja oliivide vedelaks täitmiseks.
Täitemaht on täpne, vahuta ja stabiilne. Masin suudab täita vedelikku vahemikus 25-1000 ml, samas kui pudelite kuju suhtes erinõudeid pole. See tähendab, et see võib täita vedelikku nii tavaliste pudelite kui ka irrugula-kujuliste pudelite jaoks.

Mudel: VK-PF
Täitevahemik: 50-3000ml
Täitmiskiirus: <20-30b/m (500-1000ml vedeliku jaoks)
Täpsus: ±1%
Toide/toitevõimsus: 0,8kw、220v
Töörõhk: 5~6kg/cm3
Õhukulu: 0,5-0,7mpa
NW: 500 kg
Välismõõt: 2000×800×1900mm
Märgi: Täitepihusteid saab projekteerida ja valmistada vastavalt klientide nõudmistele täitmisvahemiku ja täitmiskiiruse osas
Lineaarse vaakumkorgiga masina Vk-Vc purkide korgi varustus:
Seda lineaarset korkimismasinat on uurinud ja arendanud meie aastatepikkuse kogemusega ettevõte, see on kodumaisel turul ainulaadne. Integreeritud automaatne korgi paigutus kattega, vaakumkork.
Kõrgvaakumi saavutamiseks on vastu võetud käsitsi vaakumpump. Pudelita ja katteta funktsioonidega, mis on murettekitav, kui korgid pole saadaval. Nautis kõrget automatiseerimist. Peamised pneumaatilised ja elektrilised osad on maailmakuulsatelt kaubamärkidelt.
Stabiilse ja usaldusväärse jõudlusega. Seda kasutatakse laialdaselt raudkorgiga klaaspurkide vaakumkorgimiseks konservide, jookide, maitseainete, tervishoiutoodete jne tööstuses.

Võimsus: ≤2,3KW (koos vaakumpumbaga)
Tootmisvõimsus: 50-60BPM
Korgi läbimõõt: ¢30-¢55mm¢50-¢85mm
Pudeli kõrgus: 80-250 mm
Pudeli läbimõõt: ¢30-¢85mm
Maksimaalne vaakum: -0,08 mpa
Katte torsioon: 5-20 N.M
Õhukulu: 0,6M3/0,7Mpa
Masina mõõtmed: umbes 3000 × 1000 × 1900 mm
Kaal: umbes 850 kg
Vk-Rpl ümmarguste pudelite purkide märgistamismasin

Rakendus: Nõuab membraaniga kinnitatud sildi või toote ümbermõõtu.
Tööstusharu: Laialdaselt kasutatav toidu-, meditsiini-, kosmeetika-, kosmeetika-, elektroonika-, metalli-, plasti- ja muudes tööstusharudes.
Rakendus: Ümmarguse PET-pudeli märgistamine, plastpudelite, konservide ja nii edasi märgistamine.

Sobiv sildi pikkus (mm): 20mm ~ 314mm
Kohaldatav sildi laius (aluspaberi laius / mm): 15 mm ~ 150 mm
Kohaldatavate toodete läbimõõt (ümmarguse pudeli jaoks) ja kõrgus: läbimõõt: φ25mm ~ φ100mm
Kõrgus: 25mm ~ 230mm
Kohaldatav standardrulli läbimõõt (mm): φ280mm
Kohaldatav standardrulli läbimõõt (mm): φ76 mm
Märgistustäpsus (mm): ± 1mm
Standardkiirus (m/min): Servo: 5 ~ 25 m/min Sammumine: 5 ~ 19 m/min
Märgistamise kiirus (tk / min): samm: 30 ~ 80 tk/min (koos pudeli ja etiketi suurusega)
Servo: 40 ~ 120 tk/min
Konveieri kiirus (m/min): 5 ~ 25m/min
Kaal (kg): umbes 185 kg
Sagedus (HZ): 50HZ Pinge (V): 220V
Võimsus (W): 530 W (veojõusamm) 980 W (veojõu servo)
Seadme mõõtmed (mm) (P × P × K): 1950 mm × 1100 mm × 1300 mm


Puidust korpuse pakkimine:

Täitmisliini müügijärgne teenindus

Tagame põhiosade kvaliteedi 12 kuu jooksul. Kui põhiosad lähevad ühe aasta jooksul ilma kunstlike teguriteta valesti, pakume need teile vabalt või hooldame. Kui teil on vaja aasta pärast osi vahetada, pakume teile parimat hinda või hooldame seda teie saidil. Kui teil on selle kasutamisel tehnilisi küsimusi, anname endast parima, et teid toetada.
Kvaliteedi garantii:
Tootja garanteerib, et kaup on valmistatud Tootja parimatest materjalidest, esmaklassilise töötlusega, täiesti uus, kasutamata ja vastab igati käesolevas lepingus sätestatud kvaliteedile, spetsifikatsioonidele ja toimivustele. Kvaliteedi garantiiaeg on 12 kuud alates B/L kuupäevast.
Tootja remondiks lepingulised masinad kvaliteedigarantii ajal tasuta.
Kui rike võib olla tingitud Ostja ebaõigest kasutamisest või muudest põhjustest, kannab tootja remondiosade kulud.
Paigaldamine ja silumine:
Müüja saadab oma insenerid juhendama installimist ja silumist. Kulud jäävad ostja kanda (edasi-tagasi lennupiletid, majutustasud ostja riigis). Ostja peaks pakkuma oma saidil abi installimisel ja silumisel.









